.250-3000 Savage

.250-3000 Savage
TypeRifle
Place of originUnited States
Production history
DesignerCharles Newton
Designed1915
ManufacturerSavage Arms Company
Variants.250 Ackley
Specifications
Parent case.30-06 Springfield
Case typeRimless, bottleneck
Bullet diameter.257 in (6.5 mm)
Neck diameter.286 in (7.3 mm)
Shoulder diameter.414 in (10.5 mm)
Base diameter.469 in (11.9 mm)
Rim diameter.473 in (12.0 mm)
Case length1.912 in (48.6 mm)
Overall length2.515 in (63.9 mm)
Case capacity42.7 gr H2O (2.77 cm3)
Rifling twistOriginally 14 in, later 10 in
Primer typeLarge rifle
Maximum CUP45,000 CUP
Ballistic performance
Bullet mass/type Velocity Energy
75 gr (5 g) HP 3,170 ft/s (970 m/s) 1,674 ft⋅lbf (2,270 J)
90 gr (6 g) HPBT 2,997 ft/s (913 m/s) 1,795 ft⋅lbf (2,434 J)
100 gr (6 g) SP 2,864 ft/s (873 m/s) 1,822 ft⋅lbf (2,470 J)
117 gr (8 g) SBT 2,652 ft/s (808 m/s) 1,828 ft⋅lbf (2,478 J)
Test barrel length: 24"
Source(s): Accurate Powder [1]

The .250-3000 Savage / 6.5x48mm (also known as the .250 Savage) is a rifle cartridge created by Charles Newton in 1915. It was designed to be used in the Savage Model 99 hammerless lever action rifle. The name comes from its original manufacturer, Savage Arms, and the fact that the original load achieved a 3,000 ft/s (910 m/s) velocity with an 87 grain (5.6 g) bullet.[2]

Background

In 1915, Charles Newton designed the .250-3000 Savage case to fit the popular Savage Model 99 lever-action rifle, which unlike the previous lever actions had no problems with aerodynamic spitzer bullets thanks to its rotary magazine. To facilitate handloading, casing geometry was based on the .30-06 Springfield, albeit shortened in order to fit into the aforementioned magazine designed for the .303 Savage. Newton recommended loading 100 grain (6.5 g) bullets at 2,800 ft/s (850 m/s); but Savage Arms reduced bullet weight to obtain a velocity of 3,000 ft/s (910 m/s), making it the first American cartridge capable of that velocity. Achieving that velocity may have been the reason for the choice of the light-for-caliber 87-grain (5.6 g) bullet.[3] Newton questioned if the publicity over the advantages of velocity compensated for reduced penetration of the lighter bullet in larger game animals.[4]

The cartridge has a pressure limit of 45,000 CUP set by SAAMI. It lacks the power of the bigger .25-06 Remington but provides less noise and less recoil. Performance is very close to the .257 Roberts. Arguably it is a better overall cartridge for hunting than the more popular .30-30, but in recent years has lost ground to the .257 Roberts and flatter-shooting 6mm cartridges such as the .243 Winchester.[3]

Currently, there are very few new firearms being made in .250 Savage. It is an excellent cartridge with moderate recoil for hunting small up to deer-sized game.[1]

Variants

Some varmint hunters use the improved version of this cartridge, known as the .250 Ackley, .250 Improved or .250 Ackley Improved as a dual-purpose intermediate-range cartridge. The .250 Ackley is the same basic cartridge with a steeper shoulder and with the sides blown-out or straightened to increase powder space.[5] This provides a velocity improvement of more than 250 ft/s (76.2 m/s) over standard factory loads.

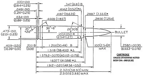
Official SAAMI Dimensional line Drawing 250 Savage

250 Savage Dimensions, designed by Charles Newton in 1915
250 Savage Dimensions, designed by Charles Newton in 1915

See also

References

  1. ^ a b ".250-3000 Savage Archived 2010-11-05 at the Wayback Machine" data from Accurate Powder
  2. ^ "The .250-3000 Savage" by Chuck Hawks
  3. ^ a b Barnes, Frank C. (1997) [1965]. McPherson, M.L. (ed.). Cartridges of the World (8th ed.). DBI Books. pp. 34, 91. ISBN 0-87349-178-5.
  4. ^ Towsley, Bruce M. American Rifleman (July 2011) pp.54-57
  5. ^ "The .250-3000 Ackley Improved" by Chuck Hawks